Техника безопасности на животноводческих фермах
Страница 2

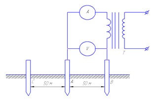
Существует несколько способов измерения сопротивления заземлителей. Наиболее простым и доступным в условиях животноводческих хозяйств является метод состоит в том, что вначале производится три измерения напряжения и тока между испытываемым заземлителем А и достаточно от него удаленными вспомогательными электродами В и С.

2.jpg

После этого составляют три уравнения, выражающих суммы сопротивлений:

Решая полученные уравнения, находят искомое значение сопротивления заземлителя RА.

Для большей точности определения RА рекомендуется измерять напряжение высокоомным вольтметром.

Первая помощь людям и животным при поражении их электрическим током.

При поражении током человека необходимо:

немедленно прекратить протекание тока через пострадавшего, выключив рубильник или отведя токоведущую часть от пострадавшего с помощью сухой деревянной палки, доски или других токонепроводящих предметов. Для этой цели лучше всего иметь резиновые перчатки, резиновые сапоги и галоши;

быстро расстегнуть одежду, стесняющую дыхание; осторожно разжать рот деревянным предметом; очистить рот и вытянуть язык, запавший в гортань;

создать приток свежего воздуха, открыв окна или дверь; при плохом дыхании или его отсутствии делать искусственное дыхание и продолжать его до прихода врача.

Во время искусственного дыхания нельзя допускать охлаждения пострадавшего (оставлять на сырой земле, на бетонном полу). Рекомендуется прикладывать грелку к туловищу и ногам пострадавшего.

Совершенно недопустимо оказание ”помощи” пораженному током путем сильного встряхивания или закапывания тела в землю. Такие способы приносят только вред.

При искусственном дыхании животное кладут на спину, голове его дают наклонное положение и затем медленно (сообразно с нормальным количеством дыхательных движений в минуту) разгибают и сгибают передние конечности. Одновременно с этим для возбуждения движения диафрагмы надавливают на брюшную стенку. Рекомендуется также ритмично потягивать язык пострадавшего животного и производить раздражение нервных окончаний кожи растиранием. Понаблюдением профессора Ф. Н. Щепетова, хорошие результаты дает лобелин при подкожном его введении.

При остановке сердечной деятельности необходимо применять массаж области сердца, а также вводить под кожу камфору, кофеин, эфир или спирт.

Для спасения пораженных током главную роль играет быстрота оказания первой медицинской помощи. Статистические данные показывают, что помощь, оказанная людям в течение первой минуты после поражения током, дала положительные результаты более чем в 90% случаев. При оказании помощи попрошествии 6 минут положительные результаты достигались всего лишь в 10% случаев, а по истечение 12 минут положительный эффект был весьма редким исключением.

Страницы: 1 2 

Главное меню


Copyright © 2026 - All Rights Reserved - www.timearchitect.ru